Расход МАЗУТА при максимальной нагрузке котла56 кг/ч
Расход условного топлива74 кг/ч
Температура пара, не более170 °С
Давление пара, не более0.9 МПа
Давление пара, не более9 кгс/см²
Давление пара, не более9 бар
Полный объем котла2.43 м³
Объем паровой части0.21 м³
Аэродинамическое сопротивление133 (13.3) Па (мм. вод. ст.)
ТягаЕстественная
Объем топочной камеры0.8 м³
Размер топочной камеры, диаметр*глубина800х1600 мм
Присоединительные размеры выхода пара50 Ду
Присоединительные размеры по водяному тракту32 Ду
Присоединительные размеры по дымовым газам / дымовая труба250 Ду
Габаритные размеры котла, длина*ширина*высота3750х1550х1650 мм
Масса3400 кг
МаркаSTEAMEXPERT
ЭнергоэффективностьВысокая
БрендSTEAMEXPERT
Мазутный парогенератор 700 кг 170 С чертеж
Парогенератор 700 кг 170 С на мазуте чертеж
Конструкция и преимущества парогенератора STEAMEXPERT
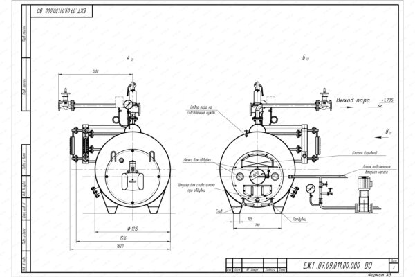
Промышленный парогенератор 700 кг в час на мазуте с температурой пара 170 С марки STEAMEXPERT – выполняется напольной горизонтальной жаротрубной конструкцией. Сам котельный блок состоит из двух обечаек разного диаметра, вставленных одна в другую и соединенных между собой фланцами. Пространство между обечайками заполняется водой. В верхней части котла устанавливается полуцилиндр - это паросборная камера в которой собирается и сепарируется пар.
Обечайка меньшего диаметра (внутренняя) – это жаровая труба. В передней части жаровой трубы размещена топочная часть с отверстием под горелку, в задней части - конвективный пучок труб.
Благодаря большому объему нагреваемой в котле воды и зеркалу испарения, жаротрубный мазутный парогенератор ПГ 700 М с температурой пара 170 С имеет следующие преимущества:
потребитель получает сухой пар. Сепарационные устройства препятствуют выносу капель воды с зеркала испарения и капель конденсата образующихся на внутренних стенках паропроводов мазутного котла;
независимо от нагрузки происходит бесперебойная подача насыщенного пара;
парогенератор пар 700 кг час на мазутеТверь не боится подпитки даже холодной водой;
тепловые расширения металла минимальны поэтому жаротрубный паровой генератор обладает высокой надежностью и долговечностью.
Для удобства обслуживания в процессе эксплуатации в конструкции котла предусмотрены следующие технические решения:
наружные сажистые отложения очищаются системой обдувки конвективного пакета паром прямо в процессе работы без остановки котла. Для осмотра конвективных поверхностей нагрева, в задней части газоплотный цилиндрический парогенератор КП 700 на мазуте и отработанном масле имеет люк для очистки;
в задней части котла устанавливается продувочный штуцер Ду 25 для удаления образующегося в котле шлама;
на паросборной камере и водомерной колонке установлен вентиль Ду 15 для спуска воздуха при подготовке к работе.
К фронтовой плите котельного блока крепится горелка для подачи топлива в топку котла через амбразуру. Промышленный парогенератор Е 0.7 0.9 на мазуте и отработке среднего давления работает с длинофакельными горелками ILKA.
На задней крышке котла в основании дымовой трубы выполнен предохранительный взрывной клапан.
Дымовая труба может проходить как по наружной стене помещения, так и через кровлю котельного помещения.
Производственный стационарный не поднадзорный парогенератор steam 700 на мазуте и отработанном масле российского производства подпитывается из питательного бака через электронасос, соединительную арматуру.
Для подпитки желательно устанавливать два насоса – один рабочий и второй резервный.
На боковой части корпуса устанавливается водомерная колонка (датчик уровней воды) и два указателя уровня, связанная с паровым и водяным пространством парогенераторной установки соединительными трубками.
Применение парогенераторов
Наши российские жаротрубные мазутные парогенераторы высокого давления 0.9 МПа производительностью 700 кг пара применяют при производстве ЖБИ изделий, для изготовления пенопласта, химические и фармацевтические предприятия, строительные организации, бетонные заводы, больницы, общественные заведения, воинские части, автоколонны, ДСУ, бани, предприятия нефтегазовой, кожевенной, перерабатывающей промышленности. В пищевой промышленности жаротрубные парогенераторы 0,7 т на отработке используют для разморозки, подогрева, пастеризации, стерилизации тары такие предприятия, как спиртзаводы, молочные заводы, птицефабрики для тепловой обработки кормов и ошпаривания птиц, мясокомбинаты и консервные заводы, хлебозаводы, мелькомбинаты, маслосырзаводы, свинокомплексы.
Монтаж котла
Стальной горизонтальный парогенератор 700 кг в час в отработанном масле для производства пара поставляется блоками максимальной заводской готовности. Котельный блок устанавливается в котельной на специально подготовленную ровную поверхность. Котельный блок подсоединяется по воде, устанавливается запорная арматура на подводящем трубопроводе и отводящем паропроводе, устанавливаются предохранительные клапаны и контрольно-измерительные приборы. Подключается горелка и автоматика. Типовые монтажные схемы вы можете изучить в разделе схемы подключения данного товара.
Чтобы перевести парогенератор КПа на мазуте теплопроизводительность 700 кг в час в водогрейный режим достаточно изменить схему подключения и установить другие предохранительные клапана.
Купить парогенератор ПГ 700 М 170 С на мазуте
Для того чтобы купить промышленный парогенератор 700 кг пара в час на отработке, давлением 0.9 МПа и температурой 170 С в Твери вы можете сделать заявку в отдел сбыта по телефону 8-800-700-06-43, либо оформить заявку через сайт или почту. Менеджеры дадут консультацию по подбору вспомогательного оборудования для выбранных вами моделей и рассчитают стоимость доставки. Доставка до вашего населенного пункта может осуществляться авто, железнодорожным и речным транспортом.
Если вы затрудняетесь с выбором нужной паропроизводительности, мы можем осуществить подбор, для этого нужно заполнить опросный лист или описать ваш техпроцесс.
Комплект поставки парогенератора 700 кг на мазуте 170 °С
Цена парогенератора 700 кг на мазуте 170 °С включает в себя запорную арматуру и КИП в пределах котла, вентилятор поддува и предохранительные клапаны. Ниже приведена подробная информация.
Дополнительное оборудование парогенератора 700 кг на мазуте 170 °С
Для эффективной и надежной работы парогенератора 700 кг на мазуте 170 °С вам потребуется дополнительное оборудование - насос. Мы предлагаем рассмотреть типовые варианты комплектации.
В случае если у вас на объекте имеется насосное оборудование, мы можем проверить совместимость парогенератора 700 кг на мазуте 170 °С нашего производства и вашего оборудования.
По необходимости устанавливаются золоуловители.
Типовую схему монтажа котла вы можете посмотреть во вкладке схемы подключения.
Монтаж и схемы подключения парогенератора 700 кг на мазуте 170 °С
Жаротрубный парогенератор мазутный 700 кг 170° C 0,9 МПа, предназначен для получения насыщенного пара температурой не более 170 °С и давлением не более 0,9 (9,0) МПа (кгс/cм²) для технологических целей в производстве. Устанавливается в производственных и промышленных котельных.
Монтаж и подключение парогенератора 700 кг на мазуте 170 °С
Для правильного подключения парогенератора 700 кг на мазуте 170 °С в котельной необходимо оставить проемы для обслуживания оборудования во время эксплуатации. Эти расстояния рекомендованы СНИП II-35-76. На данной схеме представлены их размеры. Кроме того мы составили примерный план, как можно произвести расположение подключение оборудования, а также указали перечень минимально необходимого вспомогательного оборудования для работы котла.
К вспомогательному оборудованию при работе парогенератора 700 кг на мазуте 170 °С относятся:
питательные насосы (1 рабочий, 2 резервный);
бак запаса воды;
охладитель проб отбора воды;
система водоподготовки котловой воды;
горелочное устройство на жидком топливе;
автоматика котла.
Водоподготовительная установка подбирается на основе данных химического анализа воды, проводимого специализированной лабораторией.
Система питания парогенератора 700 кг на мазуте 170 °С
При работе котла питание водой парогенератора 700 кг на мазуте 170 °С производится через штуцер.
Подпитка котла ведется из питательного бака через насос, соединительную арматуру. На трубопроводе подпитки котла водой должно быть установлено запорное устройство и обратный клапан. Запорное устройство должно располагаться между котлом и обратным клапаном.
Для подпитки устанавливается не менее двух насосов с электроприводом. На стороне нагнетания каждого центробежного насоса до запорного органа должен быть установлен обратный клапан.
На трубопроводе выдачи пара, в непосредственной близости от котла, устанавливается запорное устройство.
На котле имеются продувочные штуцера Ду25, Ду15 и Ду10. Штуцер Ду25 предназначен для удаления шлама, образующегося в результате работы котла, периодической продувки котловой воды и для спуска воды в случае необходимости. Штуцер Ду15 предназначен для продувки водомерной колонки. Штуцера Ду10 предназначены для продувки указателей уровня.
В передней части жаровой трубы в верхней части установлена легкоплавкая пробка – предохранительное устройство прямого действия.
На боковой части корпуса устанавливается датчик уровней воды, связанный с паровым и водным пространством котла соединительными трубками не менее Ду25.
На боковой части корпуса устанавливается соединительная труба (колонка), служащая для установки двух указателей уровня, и связанная с паровым и водным пространством котла соединительными трубками не менее Ду25.
На боковой части корпуса внизу у котла имеется ревизия с крышкой, для периодического осмотра состояния поверхностей нагрева со стороны водяного объема.
Схема парогенератора 700 кг на мазуте 170 °С
В передней части жаровой трубы размещена топка, а в задней части - конвективный пучок труб.
В верхней части котла приварен паросборник, представляющий собой полуцилиндр. На паросборной камере устанавливаются предохранительные клапаны и два штуцера Ду15, один для установки электроконтактного манометра, второй для спуска воздуха с котла при заполнении водой при подготовке к работе.
К фронтовой плите котла крепится жидкотопливная горелка для подачи топлива в топку котла через амбразуру.
На задней крышке в основании дымовой трубы выполнен предохранительный взрывной клапан.
Образующиеся в топочной камере продукты сгорания проходят конвективный пучок труб и выводятся через трубу дымовую, установленную на корпусе в хвостовой части котла.
Отвод пара парогенератора 700 кг на мазуте 170 °С
Предохранительные клапаны предназначены для стравливания давления в котле при превышении допустимого значения. На котле установлены предохранительные клапаны пропускной способностью не менее часовой производительности котла.
Принцип работы клапана состоит в том, что при достижении паром номинального давления избыток пара выходит наружу. Клапана оборудованы ручным приводом для открывания при проверке их на срабатывание.
Щит управления совместно с электрооборудованием предназначен для управления работой парогенератора 700 кг на мазуте 170 °С и защиты его при возникновении аварийных ситуаций. На двери щита расположены сигнальная лампа и органы управления работой котла, с табличками, указывающими их назначение. По месту либо на стенке щита крепится сигнальная сирена.
На паросборной камере устанавливается один электроконтактный манометр. При монтаже манометра, показывающего давление пара в котле, должна быть предусмотрена установка трехходового крана между манометром и сифонным устройством. Допускается установка других устройств, позволяющих контролировать показания рабочего манометра, путем подключения в систему контрольного манометра. Электроконтактный манометр выполняет роль датчика давления и предназначен для отключения дутьевого вентилятора и включения аварийной сигнализации при достижении паром предельно допустимого давления.
Датчик уровней служит для подачи команды на включение и отключение питательного насоса котла в процессе работы.
Указатель уровня воды предназначен для визуального контроля за уровнем воды при работе котла. На корпусе указателя крепится рамка или наносятся метки, указывающие верхний и нижний уровень воды.
Легкоплавкая пробка предназначена для сброса пара во внутренний объем топочной камеры в случае упуска воды ниже аварийного уровня и достижения фактического уровня воды на работающем котле ниже верхней кромки жаровой трубы. При этом легкоплавкая пробка перестает охлаждаться котловой водой и нагревается до температуры газов в топочной камере. Из-за нагрева наполнитель легкоплавкой пробки плавится и выдавливается давлением пара в топочную камеру, при этом сбрасывается давление пара и дополнительно гасится пламя.
Сертификаты и гарантии парогенератора 700 кг на мазуте 170 °С
Гарантийный срок на парогенератор мазутный 700 кг 170° C 0,9 МПа 24 месяца.